
產品型號: W-30BSH系列
產品名稱:φ30福來輪 W-30BSH切削式滾輪流利條
切削式滾輪流利條使用切削滾輪、福來輪、滾筒等,形式多樣。
>>說明
1.滾輪直徑:φ30
2.可以根據客戶要求定做。
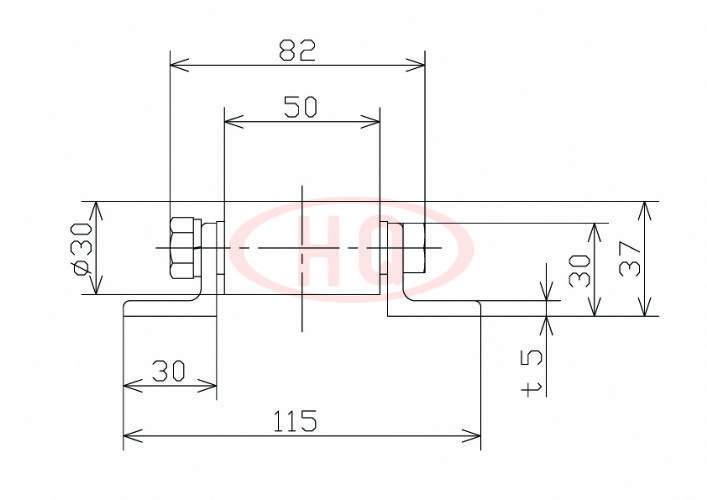
>>示意圖

>>仕様表
(単位 mm)
型 號 | 福來輪尺寸 外徑×寬×軸徑×內圈長 D W d b | 使用軸 |
W-30BSH | 30×50×10.5×55 | M10 ×75L |
框架尺寸 形狀h×W1×W2×W3×t | 機高 H | 全 長 L | 福來輪中心距 P | 彎道半徑 R | 單只福來輪承載(kg) | 參考 |
30×115×30×82×5 | 37 | 1,000~3,000 500遞增 | 30?50 | - | 160 | 重荷重類型 |