
產品型號: R-TC700/900/1200/1600
產品名稱:90度轉彎型自由輸送機
該4種類型輸送機為90度弧形轉彎輸送機,使用錐型滾筒,轉彎半徑較大,適用于輸送機的轉彎連接。
>>說明
1.轉彎角度:90度
2.轉彎半徑:700、900、1200、1600mm
3.支架: 90mm槽鋼
4.幅寬: 200mm~800mm
5.滾筒承重量:max約200kg
>>仕様表
(単位 mm)
| 型 式 | 滾 筒 幅 寬 W (mm) | 200 | 300 | 400 | 500 | 600 | ||
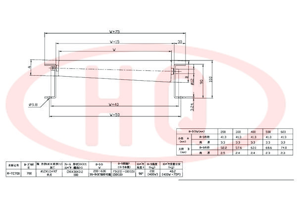
| R-TC700 | 小徑 A (mm) | 滾 筒 外 徑 | 41.3 | 41.3 | 41.3 | 41.3 | 41.3 | |
| 壁 厚 | 3.3 | 3.3 | 3.3 | 3.3 | 3.3 | |||
| 大徑 B (mm) | 滾 筒 外 徑 | 52.2 | 57.6 | 63.1 | 68.6 | 74.0 | ||
| 壁 厚 | 2.5 | 2.4 | 2.4 | 2.3 | 2.3 | |||
| R-TC900 | 小徑 A (mm) | 滾 筒 外 徑 | 45.0 | 45.0 | 45.0 | 45.0 | 45.0 | |
| 壁 厚 | 3.2 | 3.2 | 3.2 | 3.2 | 3.2 | |||
| 大徑 B (mm) | 滾 筒 外 徑 | 54.9 | 59.9 | 64.9 | 69.8 | 74.8 | ||
| 壁 厚 | 2.2 | 2.2 | 2.1 | 2.1 | 2. 0 | |||
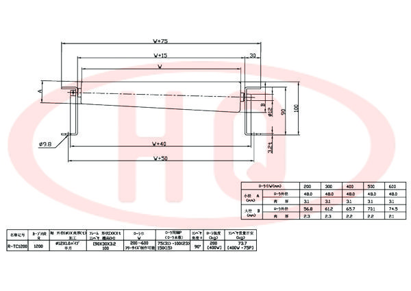
| R-TC1,200 | 小徑 A (mm) | 滾 筒 外 徑 | 48.0 | 48.0 | 48.0 | 48.0 | 48.0 | |
| 壁 厚 | 3.1 | 3.1 | 3.1 | 3.1 | 3.1 | |||
| 大徑 B (mm) | 滾 筒 外 徑 | 56.8 | 61.2 | 65.7 | 70.1 | 74.5 | ||
| 壁 厚 | 2.3 | 2.3 | 2.2 | 2.2 | 2.1 | |||
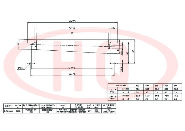
| R-TC1,600 | 小徑 A (mm) | 滾 筒 外 徑 | 50.0 | 50.0 | 50.0 | 50.0 | 50.0 | |
| 壁 厚 | 3.0 | 3.0 | 3.0 | 3.0 | 3.0 | |||
| 大徑 B (mm) | 滾 筒 外 徑 | 63.0 | 66.3 | 69.5 | 72.8 | 76.0 | ||
| 壁 厚 | 2.3 | 2.2 | 2.2 | 2.1 | 2.0 | |||
| 型 號 | 轉彎半徑 R | 軸外徑(φ)×壁厚(t) 加工 | 支架形狀I×K×t 輸送機高(H) | 滾 筒 幅 寬 W | 滾筒間距 P (滾筒數) | 滾筒 角度 θ | 滾筒強度 (kg) | 輸送機重量 (kg) | |||||
| R-TC700 | 700 | 12×1.0管 半圓 | [ 90×30×3.2 100 | 200~600 任意尺寸 | 75(20)?100(15) 150(10) | 90° | 200 〔400W〕 | 48.2 〔400W?75P〕 | |||||
| R-TC900 | 900 | 12×1.0管 半圓 | [ 90×30×3.2 100 | 200~600 任意尺寸 | 75(23)?100(18) 150(12) | 90° | 200 〔400W〕 | 55.9 〔400W?75P〕 | |||||
| R-TC1200 | 1,200 | 12×1.0管 半圓 | [ 90×30×3.2 100 | 200~600 任意尺寸 | 75(31)?100(23) 150(15) | 90° | 200 〔400W〕 | 73.7 〔400W ?75P〕 | |||||
| R-TC1600 | 1,600 | 12×1.0管 半圓 | [ 90×30×3.2 100 | 400~800 任意尺寸 | 75(41)?100(31) 150(21)?200(15) | 90° | 200 〔400W〕 | 96.4 〔400W?75P〕 | |||||
>>示意圖
R-TC700

R-TC900

R-TC1200

R-TC1600